021-51699285
首页
关于我们
公司简介
关于品牌
荣誉资质
产品中心
PD810系列电力网络仪表
800H系列智能电力仪表
800G系列智能电力仪表
MC800系列低压智能电动机保护
800系列电力变送器
PWB800系列无功补偿控制器
NY3000变电站综合自动化系统
新闻中心
公司新闻
行业动态
联系我们
产品展示
CDW7-2000 630/630 3P 抽屉式AC220V 3P+N附,CDW7系列万能式断路器,DELIXI德力西
首页
/
产品中心
/
断路器系列
风机系列
控制器系列
电容器系列
互感器系列
电磁铁系列
接触器系列
断路器系列
燃气表系列
继电器系列
熔断器系列
变频器系列
电阻器系列
避雷器系列
硅整流系列
防爆电器系列
电线电缆系列
接线端子系列
电缆附件系列
仪器仪表系列
隔离开关系列
主令电器系列
配电照明箱系列
跌落式熔断器系列
智能压力变送器系列
温控仪、热电偶系列
母线槽、电缆桥架系列
电涌保护器SPD系列
起动器、软起动器系列
光电开关、接近开关系列
压力表系列、温度计系列
双电源自动切换开关系列
墙壁开关、民用换气扇系列
稳压器、变压器、调压器系列
中间转换器、不间断电源
声光报警
产品标题:CDW7-2000 630/630 3P 抽屉式AC220V 3P+N附,CDW7系列万能式断路器,DELIXI德力西
产品ID:
VIB20100808214221734
品 牌:
DELIXI德力西
所在地:中国 上海
价 格:面议 (大量采购价格面议)
库存状态:
货期待查
更新日期:2025-6-18 7:32:58
咨询电话:(+86)021-51699285
咨询Q Q:
2695337323
产品简述
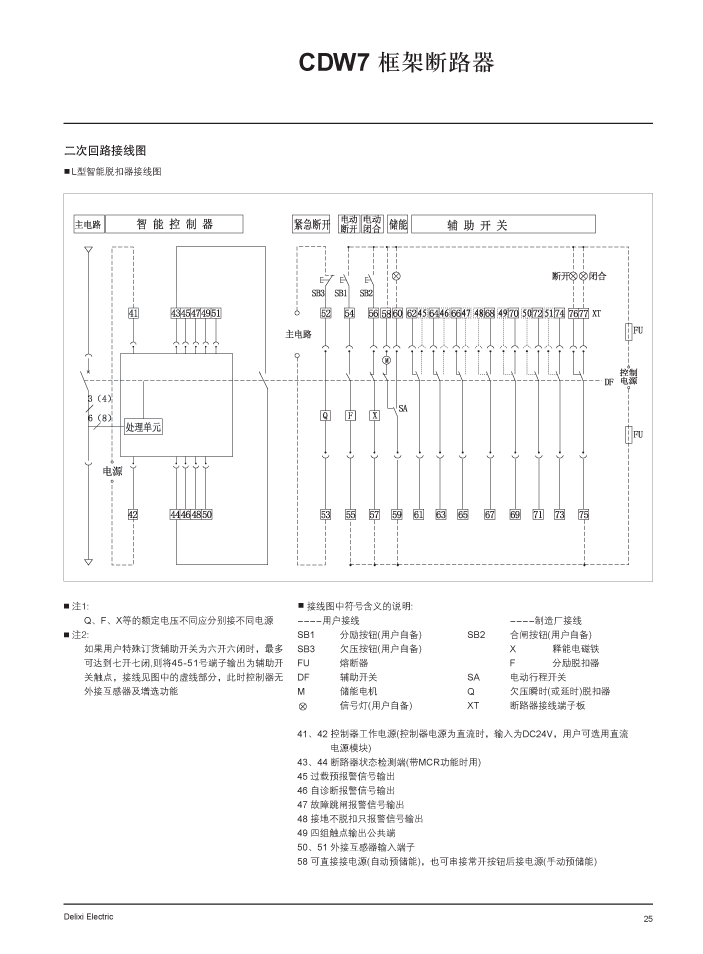
CDW7系列万能式断路器
(以下简称断路器)主要适用于交流50Hz,额定工作电压为
400V、690V
,额定电流为
200A~6300A
的配电网络中,用来分配电能和保护线路及电源设备免受过载、欠电压、短路和接地等故障的危害。断路器核心部件采用智能型脱扣器,具有精确的选择性保护,可避免不必要的停电,提高供电系统的可靠性、连续性和安全性。
产品详情
产品型号
吸盘转接支架 ESH-HE-3-G1/8
吸盘转接支架 ESH-HE-4-G1/8
吸盘转接支架 ESH-HE-5-G1/4
吸盘转接支架 ESH-HF-1-M10X1
吸盘转接支架 ESH-HF-2-M10X1
吸盘转接支架 ESH-HF-3-M14X1
吸盘转接支架 ESH-HF-4-M14X1
真空吸盘 ESS-2-SN
传感器条 BSL-HMP- 16-100
传感器条 BSL-HMP- 16-150
传感器条 BSL-HMP- 16-200
传感器条 BSL-HMP- 16-250
传感器条 BSL-HMP- 16-320
传感器条 BSL-HMP- 20- 50
前一页
CDW7-2000 630/630A 3P 抽屉式AC220V,CDW7系列万能式断路器,DELIXI德力西
后一页
CDW7-2000 630/630A 3P 抽屉式AC220V,CDW7系列万能式断路器,DELIXI德力西
产品中心
更多产品
MORE+
CDW1-2000 1250A 4P抽屉式 H型 AC380V 拼附,CDW1系列万能式断路器,DELIXI德力西
CDW1-2000 1000A 3P抽屉式DC220V无欠压 L附,CDW1系列万能式断路器,DELIXI德力西
CDW1-2000 1250/10004P抽屉220VL型欠延3S附,CDW1系列万能式断路器,DELIXI德力西
CDW7-2000 1600A 3P抽屉式AC220V拼缆绳联附,CDW7系列万能式断路器,DELIXI德力西
CDW7-2000 1600/1600A 3P 抽屉式 AC380V,CDW7系列万能式断路器,DELIXI德力西
CDW7-2000 1000A 三极固定式AC380V无欠压,CDW7系列万能式断路器,DELIXI德力西
CDW1-2000 1000A 4P抽屉式AC220V带3锁2钥匙,CDW1系列万能式断路器,DELIXI德力西
CDW1-2000 1600/1600 3P 抽屉式 AC220V L型,CDW1系列万能式断路器,DELIXI德力西
Profibus总线扩PS1-ZN60-CP60/61
输入模拟器 FEC FEC-ZT30-EINGANG-SIMUL.
传感器安装块 SF-18
传感器安装块 SF-25
电话:
021-51699285
传真:
021-51698592
手机:
13611905823
地址:上海市宝山区恒高路127弄6号楼2202室
首 页
关于我们
公司简介
品牌介绍
企业荣誉
产品中心
PD810系列电力网络仪表
800H系列智能电力仪表
800G系列智能电力仪表
MC800系列低压智能电动机保护
800系列电力变送器
PWB800系列无功补偿控制器
NY3000变电站综合自动化系统
新闻中心
公司新闻
行业动态
联系我们