| 产品标题:SRK,上海人民/施耐德,LC1-DEK43,CJ19C(16C)切换电容器接触器,上海一级总代理 产品ID:VIB20110310004400734 品 牌:SRK上海人民开关厂 所在地:中国 上海 价 格:面议 (大量采购价格面议) 库存状态:货期待查 更新日期:2025-11-21 1:30:34 咨询电话:(+86)021-51699285 咨询Q Q: 2695337323 |
产品名称: CJ19C交流接触器
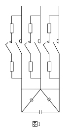
适用范围 CJ19C、CJ19B 型切换电容器接触器(以下简称接触器)都是用于通断低压并联电容器的专用接触器,广泛用于自动补偿的无功功率补偿设备中,适用于交流频率为50Hz,额定工作电压至380V的电力系统中通断电容器至80kvar,以改善功率因数。CJ19C型切换电容器接触器是本厂参照法国TE公司制造的LC1-DK(电容器接触器)改进设计制造的。CJ19B型是本厂早期在CJX2型交流接触器基础上派生设计制造的。接触器为积木式的,电阻电路部分在主电路部分的上方,电阻电路为三路。主触头设计合理,单独负荷,工作可靠。 原理 在图1的两个图中,虚线以上为通断电容器电路的原理图,虚线以下为并联电容器组,串接电阻的提前接通触头为电阻切合电路,当接触器的电磁线圈通电时,电阻切合电路提前接通,电流经过电阻向电容器充电,电阻抑制了电容器合闸涌流,随后主触头闭合
承载了电容电流。
图1(a)为CJ19C型的电路原理图,它的主电路与CJ19B型相同,维其电阻电路在完成抑制电容器合闸涌流后即与主电路脱开自动复位,可减少电容器切断时烧坏电阻的机会;图1(b)为CJ19B型的电路原理图,它的电阻电路在完成抑制电容器合闸涌流后即被随后闭合的主电路短接,当接触器释放时,主触头先断开,电阻电路延时断开,抑制了电容器切断时的过电压。 型号含义
接触器型号辅助触头数量标志常开常闭CJ19C-25、32、43
CJ19B-25、32、4320E2-13,14 23,24-02E-2-11,12 21,2211E2113,1421,22CJ19C-63、80、95
CJ19B-6321E1113,14 33,3421,2212E1213,1421,22 31,32CJ19-115、15010E--13,14-01E11-11,12 技术参数 型 号CJ19C-25
(CJ19B-25)CJ19C-32
(CJ19B-32)CJ19C-43
(CJ19B-43)CJ19C-63
(CJ19B-63)CJ19C-80CJ19C-95CJ19C-115CJ19C-150可控电容器
400V容量 Qn kvar1215203240506080额定电流 In③ A17.321.62946587287115工作电流 1.3 In A22.52837.7607594113150约定发热电流 Ith A2632436987108 抑制涌流能力20 In线圈工作电压 50Hz Us V220,380或按用户要求动作范围0.85~1.1 Us消耗功率 VA (1):起动 (2): 吸持115,11200,20300,22短路保护熔断器额定电流选定1.5~2.5 In额定绝缘电压 Ui 50Hz V115,1500 166601000辅助触头约定发热电流 AC15 A10机械寿命 万次100 6020电寿命操作频率 120 I/h 万次
| ||||||||||||||||||||||
| 产品详细介绍 | ||||||||||||||||||||||
CJ19C(16C)-2511 CJ19C(16C)-3211 CJ19C(16C)-4311CJ19C(16C)-6321 CJ19C(16C)-8021 CJ19C(16C)-9521 CJ19C(16C)-115 CJ19C(16C)-150 CJ19C(16C)-170CJX2(LC1)-D0910 CJX2(LC1)-D0901 CJX2(LC1)-D1210CJX2(LC1)-D1201 CJX2(LC1)-D1810 CJX2(LC1)-D1801CJX2(LC1)-D2510 CJX2(LC1)-D2501 CJX2(LC1)-D3210CJX2(LC1)-D3201 CJX2(LC1)-D3810 CJX2(LC1)-D3801CJX2(LC1)-D40 CJX2(LC1)-D50 CJX2(LC1)-D65 CJX2(LC1)-D80 CJX2(LC1)-D95 CJX2(LC1)-D115 CJX2(LC1)-D150 CJX2(LC1)-D170 | ||||||||||||||||||||||
